Động cơ điện 3 pha là thiết bị phổ biến trong công nghiệp, từ bơm công nghiệp, máy nén khí, đến máy trộn và dây chuyền sản xuất. Tuy nhiên, để bảo vệ động cơ và đảm bảo vận hành ổn định, việc khởi động động cơ 3 pha theo sơ đồ sao – tam giác (Star – Delta) là phương pháp hiệu quả, giúp giảm dòng điện khởi động và tránh gây quá tải cho mạng điện.
Nguyên lý khởi động sao – tam giác
Khởi động sao – tam giác là phương pháp thay đổi cách đấu dây cuộn dây của động cơ từ sao (Star – Y) sang tam giác (Delta – Δ) sau một khoảng thời gian.
- Giai đoạn 1 – Khởi động ở chế độ sao (Star – Y):
Khi khởi động, động cơ được đấu cuộn dây theo sơ đồ sao. Điều này làm giảm điện áp đặt vào mỗi cuộn dây, nhờ đó dòng khởi động giảm còn khoảng 1/3 so với khởi động trực tiếp, giúp bảo vệ mạng điện và giảm sốc cơ học. - Giai đoạn 2 – Chạy ở chế độ tam giác (Delta – Δ):
Sau một khoảng thời gian định trước (thường 3–10 giây), động cơ được chuyển sang đấu sơ đồ tam giác để hoạt động với công suất đầy đủ, đạt tốc độ và moment đầy đủ cho tải.

Sơ đồ mạch khởi động Star – Delta
Lợi ích khi khởi động động cơ bằng sao – tam giác
- Giảm dòng khởi động: Tránh gây sụt áp mạnh trên mạng điện.
- Bảo vệ động cơ: Giảm tác động cơ học và nhiệt lên cuộn dây, tăng tuổi thọ.
- Tiết kiệm năng lượng: Giảm hao phí điện năng trong giai đoạn khởi động.
- Phù hợp với động cơ công suất trung bình đến lớn: Thường dùng cho động cơ từ 5–200kW.

Sơ đồ động cơ 3 pha với khởi động Star – Delta đơn giản
Mua bơm màng chính hãng hàng sẵn toàn quốc
Sơ đồ đấu dây khởi động sao – tam giác
Khởi động sao (Star – Y):
-
- Ba cuộn dây của động cơ được nối vào nhau tại một điểm chung (điểm sao).
- Ba pha nguồn được nối vào ba đầu còn lại của cuộn dây.
Chạy tam giác (Delta – Δ):
-
- Sau khi chuyển, ba cuộn dây được nối thành hình tam giác.
- Ba pha nguồn được nối vào ba đỉnh của tam giác.
Lưu ý: Khi đấu dây, phải đảm bảo không đấu nhầm pha, nếu không động cơ có thể quay ngược hoặc không khởi động.
Hướng dẫn khởi động động cơ sao – tam giác
- Kiểm tra điện áp và động cơ: Đảm bảo điện áp phù hợp với thông số cuộn dây động cơ và động cơ không bị hư hỏng.
- Đấu dây theo sơ đồ khởi động sao: Theo hướng dẫn nhà sản xuất hoặc sơ đồ mạch.
- Bật nguồn: Khởi động động cơ, động cơ sẽ tăng tốc ở chế độ sao.
- Chuyển sang tam giác: Sau thời gian định trước (thường 5–10 giây), chuyển mạch sao sang tam giác bằng khởi động từ (Contactor) hoặc bộ khởi động tự động.
- Vận hành bình thường: Động cơ hoạt động với điện áp và moment đầy đủ, chạy tải ổn định.
Đấu nối sao – tam giác để làm gì?
Đấu nối sao – tam giác là phương pháp khởi động động cơ điện 3 pha phổ biến trong công nghiệp, giúp giảm dòng điện khởi động, hạn chế sụt áp trên mạng điện và bảo vệ động cơ khỏi hư hỏng do quá tải. Khi khởi động ở chế độ sao, mỗi cuộn dây chỉ nhận 1/√3 điện áp pha, nhờ đó dòng khởi động giảm đáng kể. Sau một khoảng thời gian định trước, động cơ được chuyển sang chế độ tam giác để hoạt động với moment và công suất đầy đủ, đảm bảo tải vận hành ổn định.
Khi nào cần khởi động động cơ theo sơ đồ sao – tam giác?
Khởi động động cơ theo sơ đồ sao – tam giác thường được áp dụng cho các động cơ điện 3 pha công suất trung bình và lớn, khi khởi động trực tiếp có thể gây dòng khởi động cao, ảnh hưởng đến mạng điện và các thiết bị điện khác. Cụ thể, cần sử dụng phương pháp này trong các trường hợp sau:
- Động cơ công suất lớn: Thường từ 5 kW trở lên, nơi dòng khởi động trực tiếp có thể gấp 6–7 lần dòng định mức.
- Hệ thống mạng điện hạn chế: Khi sụt áp quá lớn có thể ảnh hưởng đến các thiết bị khác trong cùng hệ thống.
- Tải nặng khởi động: Như bơm công nghiệp, quạt, máy nén khí hoặc máy trộn, nơi moment khởi động lớn.
- Muốn bảo vệ động cơ và đường dây: Giảm sốc cơ học, hạn chế quá nhiệt, kéo dài tuổi thọ động cơ và thiết bị bảo vệ.
- Khi cần tiết kiệm năng lượng: Giảm dòng điện khởi động giúp tiết kiệm điện năng và giảm tác động lên mạng điện.
Lưu ý: Đối với động cơ nhỏ, tải nhẹ hoặc khi dòng khởi động trực tiếp không gây quá tải mạng, có thể khởi động trực tiếp mà không cần sao – tam giác.
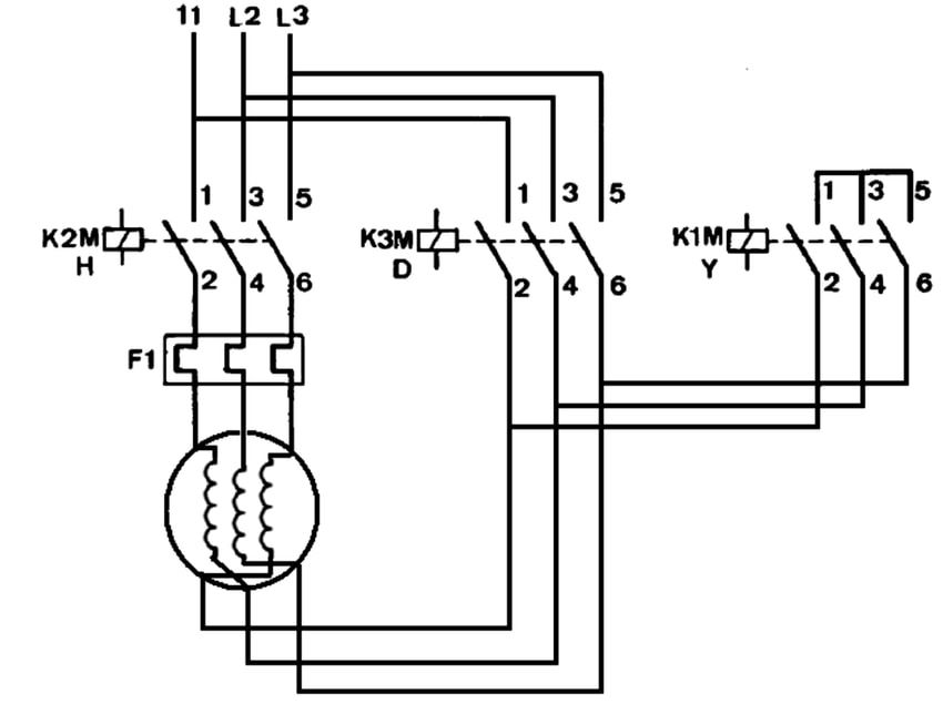
Cấu tạo sơ đồ mạch sao – tam giác
Sơ đồ mạch sao – tam giác (Star – Delta) là hệ thống điện dùng để khởi động động cơ điện 3 pha, bao gồm các thành phần chính:
- Động cơ 3 pha: Được đấu dây để hoạt động theo hai chế độ sao (Star – Y) và tam giác (Delta – Δ).
- Khởi động từ (Contactor):
- Contactor sao (Star contactor): Nối các cuộn dây của động cơ thành hình sao trong giai đoạn khởi động.
- Contactor tam giác (Delta contactor): Nối các cuộn dây thành hình tam giác khi động cơ đạt tốc độ định mức.
- Khởi động từ chung (Main contactor): Cấp nguồn cho động cơ, kết hợp với contactor sao và tam giác để chuyển đổi chế độ.
- Rơle thời gian (Timer relay): Điều khiển thời gian chạy chế độ sao trước khi chuyển sang tam giác.
- Cầu chì và bảo vệ quá dòng: Bảo vệ động cơ và mạch điện khi xảy ra sự cố.

Hình ảnh sơ đồ mạch điện chi tiết
Hạn chế của khởi động sao – tam giác
Mặc dù phương pháp sao – tam giác giúp giảm dòng khởi động và bảo vệ động cơ, nhưng cũng tồn tại một số hạn chế cần lưu ý:
- Không áp dụng cho tải nặng ngay khi khởi động:
- Với tải có moment khởi động cao (ví dụ bơm hoặc máy nén khí khởi động dưới tải), chế độ sao có thể không đủ moment để động cơ khởi động.
- Thời gian chuyển mạch cần chính xác:
- Nếu chuyển từ sao sang tam giác quá sớm, dòng điện có thể tăng đột ngột, gây sốc cơ học và quá dòng.
- Nếu chuyển quá muộn, động cơ sẽ chạy chậm, không đạt moment đầy đủ, ảnh hưởng đến hiệu suất.
- Phức tạp trong đấu dây:
- Cần ít nhất 3 contactor và rơle thời gian, hệ thống mạch điện phức tạp hơn so với khởi động trực tiếp.
- Sai sót trong đấu dây có thể khiến động cơ quay ngược hoặc không khởi động.
- Chi phí lắp đặt và bảo trì cao hơn:
- So với khởi động trực tiếp, cần thêm thiết bị phụ trợ như contactor, timer, rơle bảo vệ, dẫn đến chi phí đầu tư và bảo dưỡng cao hơn.
Những lưu ý quan trọng khi đấu nối sao – tam giác:
- Thời gian khởi động sao hợp lý: Thường từ 3–10 giây, tránh để quá lâu gây trượt tải hoặc không đủ moment để khởi động.
- Kiểm tra sơ đồ đấu dây: Đảm bảo nối đúng các đầu cuộn dây, tránh nhầm pha dẫn đến động cơ quay ngược hoặc không khởi động.
- Bảo vệ mạch: Sử dụng khởi động từ, rơle bảo vệ quá dòng, quá áp để tránh hư hỏng thiết bị.
- Kiểm tra động cơ trước khi vận hành: Đảm bảo điện áp, cầu chì và tiếp điểm trong tình trạng tốt.
- Đảm bảo an toàn: Khi thao tác đấu dây, luôn tắt nguồn để tránh nguy cơ điện giật.
Áp dụng đúng đấu nối sao – tam giác không chỉ bảo vệ động cơ và hệ thống điện, mà còn giúp tiết kiệm năng lượng, giảm tác động cơ học và kéo dài tuổi thọ thiết bị.
Lưu ý khi vận hành
- Không để thời gian chạy ở chế độ sao quá dài, vì moment động cơ thấp, dễ gây trượt hoặc không khởi động tải.
- Kiểm tra các tiếp điểm và cầu chì trước khi vận hành.
- Đối với động cơ có khối lượng lớn, nên kết hợp biện pháp bảo vệ quá dòng, quá áp để tránh hư hỏng.
Khởi động động cơ 3 pha theo sao – tam giác là phương pháp an toàn, tiết kiệm năng lượng và phổ biến trong công nghiệp. Áp dụng đúng cách giúp bảo vệ động cơ, giảm sụt áp và đảm bảo hệ thống điện vận hành ổn định.
Công ty TNHH Vimex chuyên cung cấp các sản phẩm bơm công nghiệp như bơm hóa chất, bơm định lượng…quý khách hàng cần tư vấn đấu mạch cho các sản phẩm này hay các sản phẩm tương tự hãy liên hệ đội ngũ kỹ thuật của chúng tôi để được hỗ trợ 24/7 nhé. Xin cảm ơn!





Bình luận